
聯系人:肖經理
電話:0755-23197339
傳真:0755- 29859300
手機:13828771664
郵箱:aotuoshi@atus.email
地址:深圳市光明區公明街道上村社區蓮塘工業城B區第19棟101、第20棟
M7120A型平面磨床磨頭漏油是一個普遍存在的間題,以前尚無有效解決辦法,某廠經反復試驗,加裝了一個停車回油裝置,較好地解決了漏油問題。

改裝前:
首先分析一下原M7120A型平面磨床磨頭的潤滑油路(參看圖1-2)泵1為供油泵。泵2為回油泵。當液壓泵電動機起動后,泵i和泵2同時工作,壓力油經管道8到磨頭軸承腔5內。回油由泵2經管道a,水銀開關3回到油箱。當磨頭軸承腔5內充滿壓力油后,水銀開關3才能接通磨頭電動機4,從面保證磨頭主軸在充分的油液中工作,此時兩泵之間的油液是封閉的,磨頭軸承腔5內繼續充滿壓力油。磨頭軸承腔的密封是由封油圈來進行的,由于封油圈與主軸之間有間隙,當泵1和泵2停止工作時,磨頭軸承腔5內充滿的壓力油無法卸荷,使磨頭前后兩端漏油。
當磨頭正常工作時,由于油液有回油通道和主軸的高速旋轉,所以一般不會泄漏。
以前的解決辦法是盡量減小封油圈與主軸的間隙,這樣容易造成主軸研傷。某廠儉修過的幾臺磨頭,均發現主軸有不同程度的研傷,有的深達0.1 mm。主軸研傷易造成“抱軸”現象,因而只好適當加大間隙,特別是經大修過的設備,難以保證較小的間隙,所以更容易產生泄漏。

改裝后:
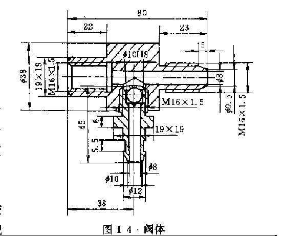
為解決泄漏問題,某廠設汁了一個停車回油裝置(參看圖1一3)。其工作原理如下:當磨頭正常工作時,油液由泵1經管道6進入磨頭軸承腔5內,進油孔為7,回油孔為2,由于回油孔較小,且回油是由泵2強制吸油,因此管道7和8內的油液流量小,流速也快,此時油壓低于大氣壓力,閥體1D中的鋼球就上升封閉回油管道9,油液只能經管道Z和8,泵2、水銀開關3回到油箱。
當磨頭停車時,泵i和泵2停l上工作,磨頭軸承腔5內的壓力油充滿管道7和8。此時在油壓及鋼球自重力的作用下,閥體10(參看圖1-4)中的鋼球下降,磨頭軸承腔5內的油液直接通過管道9回到油箱。

改裝效果:
該廠曾檢修過一臺M7120A型平面磨床的磨頭,檢修前,漏油較嚴重;檢修中,曾把封油圈和端蓋與主軸之間的徑向間隙都減少到小于0.05mm,試車時還出現“抱軸”現象;后來又把徑向問隙增大到0.09mm,此時漏油嚴重。最后,在加裝了上述停車回油裝置后,才解決了漏油問題。此裝置經多年來的實際使用。證明對磨頭軸承及主軸均無不利影響,效果理想。
